联系我们
广州捷捷声电子有限公司
联系人:余小姐
手机:18026309957 13710587420
地址:广州市番禺区洛浦街洛溪村南路18号首层
电话:02034549153
QQ:651115389,1991767973
邮箱:651115389@qq.com
备案号:粤ICP备14014029号
产品介绍
数码网络广播线路分支器
编号:6535A
名称:数码网络广播线路分支器

功能特点:

★ 二进三出,延长通讯线路距离达1000米
★ 线路分支,扩展输出端口
★ 扩展CAN总线带载能力
★ 输出3个MUSIC 功能 等同,   3个CAN 功能 等同

★终端数量较多时   ,或者线路距离较长时使用 (超1000米)

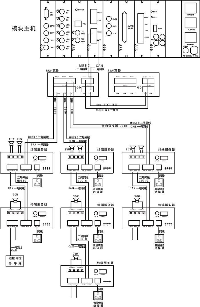
接线图:


广州捷捷声电子有限公司 联系人:余小姐 手机:18026309957 13710587420 浏览量:1116689
地址:广州市番禺区洛浦街洛溪村南路18号首层 电话:02034549153 QQ:651115389,1991767973 邮箱:651115389@qq.com 备案号:粤ICP备14014029号
粤ICP备14014029号
免责声明